|
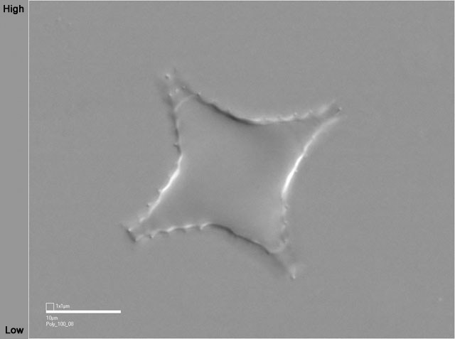
Esme the desmid The pictures below are of a desmid rather like Staurastrum margaritaceum or S. polymorphum. All pictures are to the same scale. The top set has been taken with bright field optics, the middle set with differential interference contrast optics and the bottom set with phase contrast optics. Move the cursor over the focus bar to the left of each picture to change focus. All three sets focus through the same depth (25 microns). Individual pictures are taken at 0.5 micron intervals. |
|
Bright field Notice adjacent black and white focus with virtually no vertical distance between them. |
|
|
Differential interference contrast Notice very narrow depth of focus and shadowing artefact. |
|
|
Phase contrast Notice central black focus with a white focus some distance above and below. |
|